
口徑規格?: |
DN15~300,NPS 1 1/2''~12'' |
壓力范圍?: |
PN1.6~48Mpa,Class150~2500lb |
機體材料?: |
Q325A |
閥門類型?: |
閘閥、球閥、截止閥、止回閥 |
驅動操作?: |
液壓驅動、PLC電腦控制、按鈕控制 |
連接方式?: |
法蘭式、焊接式、絲扣式、卡套式 |
榮獲證書?: |
新產品、國家專利等 |
概述?
JLT型立式閥門液壓測試臺是我公司自主研發的新一代立式液壓閥門測試臺并擁有發明技術專利知識產權,專利號ZL2016 1 0240324.1為解決廣大使用單位如中石油、中石化、中海油、中國核電工程對閥門測試臺的多類型選擇使用需要,按照國家GB/T1 3927 — 92《通用閥門的壓力試驗》和 ZBJl6006 — 90《閥門的試驗與檢測》標準要求,設計制造立式閥門檢測設備。本測試機技術、功能完善、結構靈巧、實用方便,適應各類高、中低壓閥門及絲扣閥的密封強度等’性能的試驗,本設備廣泛用于閥門制造業和石油、石化、核電、化工等使用、閥門維修部門等單位的一種理想的閥門試驗檢測設備,主要試驗閥門強度壓力和閥門密封嚴密
工作原理及結構??
JLT型測試臺由活動夾爪與液壓油缸頂壓相結合方法進行各種類閥門性能試驗,對被試閥門無附加影響測試結果的外力,符合國家標準規定的閥門檢測要求。該機結構分為液壓系統,電器控制系統,工作臺夾緊裝置及液動供動裝置與液體介質貯存循環使用系統等組成。工作臺夾緊裝置由液壓油缸直接驅動來實現,使各夾爪受力均勻,夾緊可靠,夾緊裝置的經向移動功能由液壓油缸牽引連桿組成,實現各夾爪徑向同步移動工作。工作臺夾緊裝置上端設立活動橫梁、主柱。由橫梁上液壓油缸頂壓未實現各品種不同的閥門強度試驗。該機具有水、氣、油密封性能和強度性能的試驗。本機采用以閥門法蘭端面做密封定位,由工作臺上的徑向移動夾爪來控制被試閥門法蘭大小尺寸,再由軸向夾爪壓緊閥門法蘭背面裝夾方法,來實現測試各類通徑大小不同閥門的密封試驗。?
使用注意事項和要求??
一、設備安裝:校好設備安置水平或用混凝土固定底腳螺栓。
二、選用N32 — 46#普通液壓油,N32 — 46#抗磨液壓油或20 — 30#機械油,注入油箱,油量不能低干油位計下限
三、接通電源,按油泵啟動按鈕,檢查電機轉動方向,是否正確(順時針方向)進行5 — 10分鐘空載運轉后,調節油泵壓力在5.0MPa進行試機,各種動作,檢查各管路有無泄汛,發現不良現象,應立即停機排除。
四、試驗的介質:水具有方便,不污染環境等優點,因而應用廣泛,要確保對被試閥門不會腐蝕及在測試機介質要求所需要。在水箱中,添加防銹劑或者常用油作試驗介質。
五、測試閥門時,首先根據被試閥門試驗壓力,要求參照《壓緊油缸所需壓力對照表》中液壓壓緊系統壓力值,進行增壓壓力調節,嚴禁增壓壓力值超高、防止被試閥門變形損壞。
六、液壓供壓水泵開始工作前,先調節好電接點壓力表與被試驗閥門壓力相同,然后進行工作。 鑄鐵閥門不得用錘擊,閥門在試驗中,操作人員應注意安全,正確使用,特別注意測試鑄鐵閥門時介質壓力過高破損,閥門試驗完畢,應將閥門內壓力排盡后才可放松軸向壓機。
七、壓力試驗裝置的壓力表必須經當地計量部門鑒定合格其合格證應在有效期內,壓力表的量程不能低干測試壓力1 5倍,精度不低干 1.5級。
八、注意事項?
1測試臺工作面應保持干;爭、清潔、被試閥門的法蘭與密封盤,不允許有其定雜物,時刻檢查O形圈損壞。
2.測試臺各部件的活動處,要經常加油,保持清潔潤滑使用。?
3.液壓油要定期檢查、更換對新投入使用的設備,使3個月既清洗油箱,更換新油,以后每隔一年進行清洗和更換一次,油量不能低于油位計的下限,油箱內的油液溫度不能超過55~C。?
外觀示意圖?


使用操作方法?
一、被試閥門的裝夾
測試前,將液壓系統油泵壓力調節在5 MPa,按夾緊裝置的<徑向后退>鈕,把測試用的密封盤安放在工作臺中心眼中,再將被測閥門放在密封盤上面,然后按<徑向前進>鈕,將夾爪靠近被試閥門法蘭上,再按<軸向夾緊>按鈕,然后根據被試閥門試驗壓力要求,對照“夾緊油缸所需壓力對照表”按<軸向增壓>按鈕,來調節所需夾緊工作壓力,即可進行各項密封性能試驗。
二、閥門的測試
1、作液體密封測試時:
先將供壓泵用的電接點壓力表指針調節在所需試壓壓力位置上,關閉<氣壓開關>,然后打開<水壓閥開關>, 按<水泵起動>鈕,即可測試水密封性能的試驗。測試完畢應先打開<泄壓閥開關>排放壓力后卸下被試閥門。
2、作氣密封測試時:
將氣源接至進氣口上,關閉<水壓閥開關>,打開<氣壓閥開關>并調節好用戶自備氣源壓力,即可測試氣密封性能的試驗。測試完畢應先打開<泄壓閥開關>排放氣壓后,再將被試閥門卸下。
3、測試閥門強度:
先將被試閥門放置在夾緊工作臺密封盤中心。或進行夾爪夾緊,將另配密封盤安蓋在被試閥門上端口。按<頂壓壓緊>鈕,將上端口密封盤實現頂壓,然后根據被試閥門試驗壓力要求,對照“壓緊油缸所需壓力對照表”按<頂壓增壓>鈕,來調節所需工作壓力(與1,2相同步驟方法)即可測試強度性能試驗。
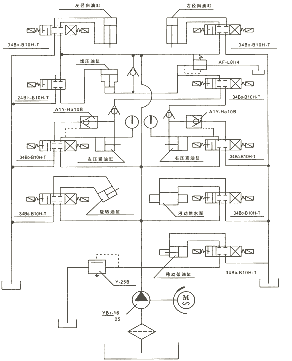
液壓系統原理圖?

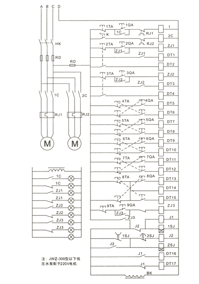
電器原理圖

水氣管路原理圖?

?JLT型 立式頂壓測試臺壓力范圍圖表

???? The test range of valve nominal diameter and nominal pressure for JLT-200 model
